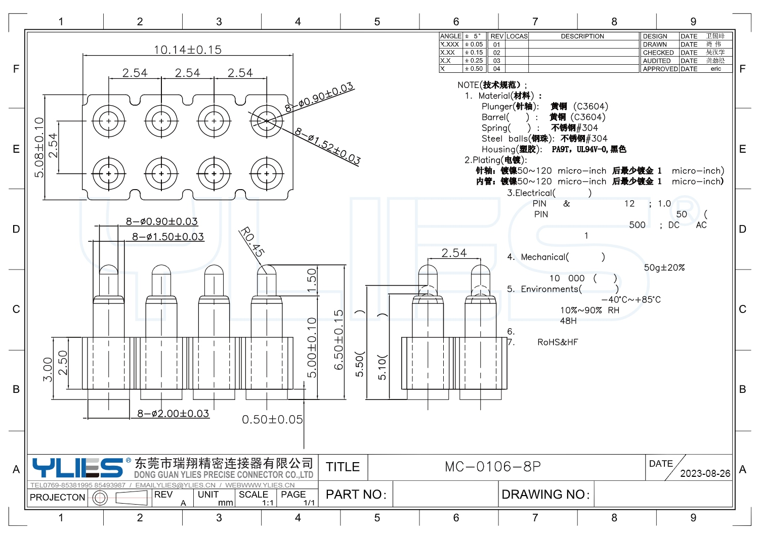
NOTE(技术规范);
1.Material(材料):
PIN针:黄铜(C3604)
Housing(塑胶):PA9T,UL94V-0,黑色
2.Plating(电镀):
镀镍40~100micro-inch 后最少镀金3 micro-inch)
3.Electrical(电气特性)
单PIN电压&电流:直流电12伏;3.0安最大,
单 PIN接触阻抗:在工作高度时最大阻抗50毫欧(静态)
绝缘阻抗:带塑胶在直流电
500 伏;DC或者AC条件下
持续
1分钟,绝缘阻抗>100毫欧
耐电压:500伏AC 1分钟,最大漏电流0.3mA;
4. Environments(环境特性)
储存和工作温度范围:-20*C~+85*C
5.符合RoHS&HF标准的产品



